PI5RTA Helmond


Receivers

Software Defined Radio receivers used at RT5RTA for WebSDR



   
SDR receivers for different frequencies


Circuits for SDR receivers

HF bandpass filter pdf-file (Dutch)


HF Ampifier10 kHz to 70 MHz with BFW16A


USB programmable oscillator with a SI-570


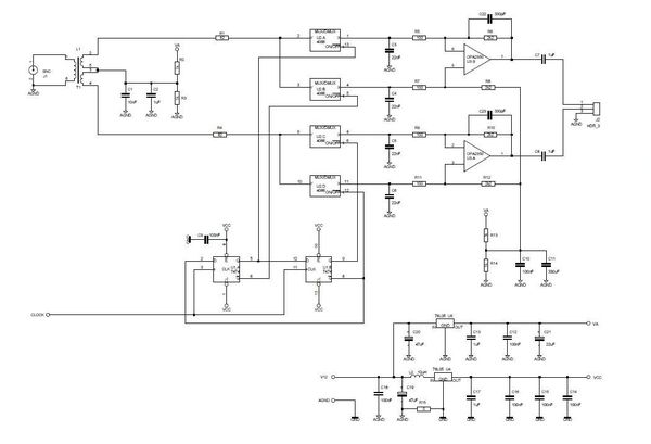
Simple SDR converter with HF input and I/Q output suitable for a stereo pc-soundcard

A basic SDR receiver system, connected to a soundcard, only needs an SDR converter and a SI-570 programmable oscillator.


Updated jan 2026