SDR receivers for different frequencies


Circuits for SDR receivers

  HF bandpass filter
 

HF band filter for 1,8 MHz (160m)




HF Ampifier10 kHz to 70 MHz with BFW16A                        HF Amplifier


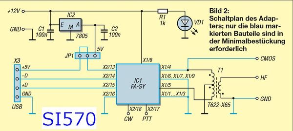
USB programmable oscillator with a SI-570




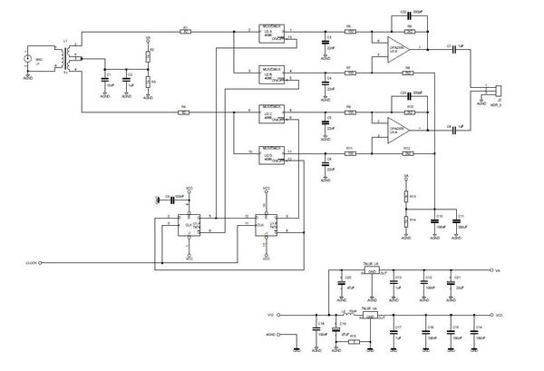
Simple SDR converter with HF input and I/Q output suitable for a stereo pc-soundcard

A basic SDR receiver system conncted to a soundcard needs only an SDR converter and the SI-570 programmable oscillator.